PART 7
DATAFLOW
- Selection constructs
- Guarded assignments
- Resolutions
- Anding, oring, wiring
- Guarded signals
- Simple sequence detector
- Multiple active states
- Using resolution functions
Dataflow.multiplexing
- Multiplexers are used for data selection
-
Dataflow.multiplexing
- Flip flop clocking selects data
- Various forms of data selection may be combined
- Will show language constructs for such selections
- Dataflow.multiplexing
USE WORK.basic_utilities.ALL;
-- FROM PACKAGE USE: qit, qit_vector
ENTITY mux_8_to_1 IS
PORT (i7, i6, i5, i4, i3, i2, i1, i0 : IN qit;
s7, s6, s5, s4, s3, s2, s1, s0 : IN qit; z : OUT qit );
END mux_8_to_1;
--
ARCHITECTURE dataflow OF mux_8_to_1 IS
SIGNAL sel_lines : qit_vector ( 7 DOWNTO 0);
BEGIN
sel_lines <= s7&s6&s5&s4&s3&s2&s1&s0;
WITH sel_lines SELECT
z <= '0' AFTER 3 NS WHEN "00000000",
i7 AFTER 3 NS WHEN "10000000" | "Z0000000",
i6 AFTER 3 NS WHEN "01000000" | "0Z000000",
i5 AFTER 3 NS WHEN "00100000" | "00Z00000",
i4 AFTER 3 NS WHEN "00010000" | "000Z0000",
i3 AFTER 3 NS WHEN "00001000" | "0000Z000",
i2 AFTER 3 NS WHEN "00000100" | "00000Z00",
i1 AFTER 3 NS WHEN "00000010" | "000000Z0",
i0 AFTER 3 NS WHEN "00000001" | "0000000Z",
'X' WHEN OTHERS;
END dataflow;
- Description of a simple multiplexer
- Selected signal assignment is used
- Dataflow.multiplexing
- Selected signal assignment
- Selected waveforms use choice or choices
- Dataflow.multiplexing
USE WORK.basic_utilities.ALL;
-- FROM PACKAGE USE : qit_vector
ENTITY dcd_3_to_8 IS
PORT (adr : IN qit_vector (2 DOWNTO 0);
so : OUT qit_vector (7 DOWNTO 0));
END dcd_3_to_8;
--
ARCHITECTURE dataflow OF dcd_3_to_8 IS
BEGIN
WITH adr SELECT
so <= "00000001" AFTER 2 NS WHEN "000",
"00000010" AFTER 2 NS WHEN "00Z" | "001",
"00000100" AFTER 2 NS WHEN "0Z0" | "010",
"00001000" AFTER 2 NS WHEN "0ZZ" | "0Z1" | "01Z" | "011",
"00010000" AFTER 2 NS WHEN "100" | "Z00",
"00100000" AFTER 2 NS WHEN "Z0Z" | "Z01" | "10Z" | "101",
"01000000" AFTER 2 NS WHEN "ZZ0" | "Z10" | "1Z0" | "110",
"10000000" AFTER 2 NS WHEN "ZZZ" | "ZZ1" | "Z1Z" | "Z11" |
"1ZZ" | "1Z1" | "11Z" | "111",
"XXXXXXXX" WHEN OTHERS;
END dataflow;
- Decoder description uses selected signal assignment
- All possibilities must be considered
- Dataflow.clocking
ENTITY d_flipflop IS
GENERIC (delay1 : TIME := 4 NS; delay2 : TIME := 5 NS);
PORT (d, c : IN BIT; q, qb : OUT BIT);
END d_flipflop;
--
ARCHITECTURE assigning OF d_flipflop IS
SIGNAL internal_state : BIT;
BEGIN
internal_state <= d WHEN ( c = '1' AND NOT c'STABLE ) ELSE
internal_state;
q <= internal_state AFTER delay1;
qb <= NOT internal_state AFTER delay2;
END assigning;
- A simple flipflop uses internal_state
- On clock edge d is transferred to internal_state
- Events on internal_state cause assignments to q and qb
- Dataflow.clocking
- ARCHITECTURE guarding OF d_flipflop IS
- BEGIN
- ff: BLOCK ( c = '1' AND NOT c'STABLE )
- BEGIN
- q <= GUARDED d AFTER delay1;
- qb <= GUARDED NOT d AFTER delay2;
- END BLOCK ff;
- END guarding;
- Better representation of clocking disconnects d from q
- Disconnection is specified by GUARDED
- GUARDED assignments are guarded by guard expression
- Can also guard selected and conditional signal assignments
- Dataflow.clocking
- ENTITY flipflop_test IS END flipflop_test;
- --
- ARCHITECTURE input_output OF flipflop_test IS
- COMPONENT
- flop PORT (d, c : IN BIT; q, qb : OUT BIT);
- END COMPONENT;
- FOR c1 : flop USE ENTITY WORK.d_flipflop (assigning);
- FOR c2 : flop USE ENTITY WORK.d_flipflop (guarding);
- SIGNAL dd, cc, q1, q2, qb1, qb2 : BIT;
- BEGIN
- cc <= NOT cc AFTER 400 NS WHEN NOW < 2 US ELSE cc;
- dd <= NOT dd AFTER 1000 NS WHEN NOW < 2 US ELSE dd;
- c1: flop PORT MAP (dd, cc, q1, qb1);
- c2: flop PORT MAP (dd, cc, q2, qb2);
- END input_output;
- Testbench tests and verifies both descriptions
- A simple method for generation of periodic signals
- Dataflow.clocking
- Two transactions on internal_state for every clock edge
- Transaction on q1 at time 0004, is due to initialization
- c2.ff : GUARD sees GUARD inside guarding
- Guard expression is only TRUE for 1 delta
- Dataflow.clocking
- Syntax details of guarded blocks
- Dataflow.clocking
- ENTITY de_flipflop IS
- GENERIC (delay1 : TIME := 4 NS; delay2 : TIME := 5 NS);
- PORT (d, e, c : IN BIT; q, qb : OUT BIT);
- END de_flipflop;
- --
- ARCHITECTURE guarding OF de_flipflop IS
- BEGIN
- edge: BLOCK ( c = '1' AND NOT c'STABLE )
- BEGIN
- gate: BLOCK ( e = '1' AND GUARD )
- BEGIN
- q <= GUARDED d AFTER delay1;
- qb <= GUARDED NOT d AFTER delay2;
- END BLOCK gate;
- END BLOCK edge;
- END guarding;
- (e= '1') AND ( c= '1' AND NOT c'STABLE)
- Can nest block statements
- Combining guard expressions must be done explicitly
- Implicit GUARD signals in each block
- Dataflow.clocking
- ENTITY flipflop_test IS END flipflop_test;
- --
- ARCHITECTURE input_output OF flipflop_test IS
- COMPONENT
- ff1 PORT (d, e, c : IN BIT; q, qb : OUT BIT);
- END COMPONENT;
- FOR c1 : ff1 USE ENTITY WORK.de_flipflop (guarding);
- SIGNAL dd, ee, cc, q1, qb1 : BIT;
- BEGIN
- cc <= NOT cc AFTER 400 NS WHEN NOW < 3 US ELSE cc;
- dd <= NOT dd AFTER 1000 NS WHEN NOW < 3 US ELSE dd;
- ee <= '1', '0' AFTER 2200 NS;
- c1: ff1 PORT MAP (dd, ee, cc, q1, qb1);
- END input_output;
- Testbench verifies operation of de_flipflop
- After 2200 q1 is disconnected from d
- Dataflow.resolution
- USE WORK.basic_utilities.ALL;
- -- FROM PACKAGE USE: qit
- ENTITY y_circuit IS
- PORT (a, b, c, d : IN qit; z : OUT qit);
- END y_circuit;
- --
- ARCHITECTURE smoke_generator OF y_circuit IS
- SIGNAL circuit_node : qit;
- BEGIN
- circuit_node <= a;
- circuit_node <= b;
- circuit_node <= c;
- circuit_node <= d;
- z <= circuit_node;
- END smoke_generator;
- Normally several sources cannot drive a signal
- Real circuits smoke
- Dataflow.resolution
- Multiple drivers is possible only if a resolution exists
- Example in hardware is "open collector"
- Pull_up provides resolution
- A convenient symbol is shown
- Dataflow.resolution
- -- FROM basic_utilities USE qit, qit_vector, "AND"
- FUNCTION anding ( drivers : qit_vector) RETURN qit IS
- VARIABLE accumulate : qit := '1';
- BEGIN
- FOR i IN drivers'RANGE LOOP
- accumulate := accumulate AND drivers(i);
- END LOOP;
- RETURN accumulate;
- END anding;
- VHDL uses resolution functions
- Resolving multiple values to a single value
- Function parameter must be vector of its return type
- All drivers are checked
- Dataflow.resolution
- USE WORK.basic_utilities.ALL;
- -- FROM PACKAGE USE: qit
- ARCHITECTURE wired_and OF y_circuit IS
- FUNCTION anding ( drivers : qit_vector) RETURN qit IS
- VARIABLE accumulate : qit := '1';
- BEGIN
- FOR i IN drivers'RANGE LOOP
- accumulate := accumulate AND drivers(i);
- END LOOP;
- RETURN accumulate;
- END anding;
- SIGNAL circuit_node : anding qit;
- BEGIN
- circuit_node <= a;
- circuit_node <= b;
- circuit_node <= c;
- circuit_node <= d;
- z <= circuit_node;
- END wired_and;
- Specify anding for the resolution on circuit_node
- Type of circuit_node is a subtype of qit
- ANDing simultaneously receives all drivers
- Dataflow.resolution
- FUNCTION oring ( drivers : qit_vector) RETURN qit IS
- VARIABLE accumulate : qit := '0';
- BEGIN
- FOR i IN drivers'RANGE LOOP
- accumulate := accumulate OR drivers(i);
- END LOOP;
- RETURN accumulate;
- END oring;
- A subtype:
- SUBTYPE ored_qit IS oring qit;
- . . .
- -- The following declarations are equivalent
- SIGNAL t : ored_qit;
- SIGNAL t : oring qit;
- For Arrays:
- TYPE ored_qit_vector IS ARRAY (NATURAL RANGE<>) OF ored_qit;
- . . .
- SIGNAL t_byte : ored_qit_vector (7 DOWNTO 0);
- Another example of resolution function
- Must have subtype for resolved array types
- Dataflow.resolution
- ARCHITECTURE multiple_assignments OF mux_8_to_1 IS
- SIGNAL t : ored_qit
- BEGIN
- t <= i7 AND s7;
- t <= i6 AND s6;
- t <= i5 AND s5;
- t <= i4 AND s4;
- t <= i3 AND s3;
- t <= i2 AND s2;
- t <= i1 AND s1;
- t <= i0 AND s0;
- z <= t;
- END multiple_assignments;
- Multiplexer uses implicit ORing on t
- AND_OR logic is realized
- Dataflow.resolution
FUNCTION wire (a, b : qit) RETURN qit IS
CONSTANT qit_and_table : qit_2d := (
('0','X','0','X'),
('X','1','1','X'),
('0','1','Z','X'),
('X','X','X','X'));
BEGIN
RETURN qit_and_table (a, b);
END wire;
FUNCTION wiring ( drivers : qit_vector) RETURN qit IS
VARIABLE accumulate : qit := 'Z'; -- wire value with no drivers
BEGIN
FOR i IN drivers'RANGE LOOP
accumulate := wire (accumulate, drivers(i));
END LOOP;
RETURN accumulate;
END wiring;
FUNCTION wiring ( drivers : qit_vector) RETURN qit;
SUBTYPE wired_qit IS wiring qit;
TYPE wired_qit_vector IS ARRAY (NATURAL RANGE <>) OF wired_qit;
- A complete resolution for wiring
- Dataflow.resolution
-- Declarations, can go in a package declaration
FUNCTION oring ( drivers : qit_vector) RETURN qit;
SUBTYPE ored_qit IS oring qit;
TYPE ored_qit_vector IS ARRAY (NATURAL RANGE <>) OF ored_qit;
-- Function definition, can go in a package body
FUNCTION oring ( drivers : qit_vector) RETURN qit IS
VARIABLE accumulate : qit := '0';
BEGIN
FOR i IN drivers'RANGE LOOP
accumulate := accumulate OR drivers(i);
END LOOP;
RETURN accumulate;
END oring;
- A complete resolution for oring
- OR for BIT is already defined
- If no drivers, '0' is returned
- Dataflow.resolution.application
- bi : BLOCK (si = '1' OR si = 'z')
- BEGIN
- t <= GUARDED ii;
- END BLOCK;
- . . .
- A mux made of pass transistors
- Each ii connects to t if si is '1'
- ii is disconnected from t if si is '0'
- Dataflow.resolution.application
- USE WORK.basic_utilities.ALL;
- -- FROM PACKAGE USE: wired_qit
- ARCHITECTURE multiple_guarded_assignments OF mux_8_to_1 IS
- SIGNAL t : wiring qit BUS;
- BEGIN
- b7: BLOCK (s7 = '1' OR s7 = 'Z') BEGIN t <= GUARDED i7; END BLOCK;
- b6: BLOCK (s6 = '1' OR s6 = 'Z') BEGIN t <= GUARDED i6; END BLOCK;
- b5: BLOCK (s5 = '1' OR s5 = 'Z') BEGIN t <= GUARDED i5; END BLOCK;
- b4: BLOCK (s4 = '1' OR s4 = 'Z') BEGIN t <= GUARDED i4; END BLOCK;
- b3: BLOCK (s3 = '1' OR s3 = 'Z') BEGIN t <= GUARDED i3; END BLOCK;
- b2: BLOCK (s2 = '1' OR s2 = 'Z') BEGIN t <= GUARDED i2; END BLOCK;
- b1: BLOCK (s1 = '1' OR s1 = 'Z') BEGIN t <= GUARDED i1; END BLOCK;
- b0: BLOCK (s0 = '1' OR s0 = 'Z') BEGIN t <= GUARDED i0; END BLOCK;
- z <= t;
- END multiple_guarded_assignments;
- Disconnection is realized by block statements
- If all drivers are disconnected
- Real hardware returns to 'Z'
- Use BUS to implement this behavior
- Default in wire is 'Z'
- This default is used if wiring is called with null
- Last disconnection causes call to wiring with Null
- Dataflow.resolution.application
- Circuit shows a register effect
- t retains value after last disconnection
- Dataflow.resolution.application
- USE WORK.basic_utilities.ALL;
- -- FROM PACKAGE USE: qit, wired_qit
- ENTITY multiplexed_half_register IS
- PORT (i7, i6, i5, i4, i3, i2, i1, i0 : IN qit;
- s7, s6, s5, s5, s4, s3, s2, s1, s0 : IN qit; z : OUT qit );
- END multiplexed_half_register;
- --
- ARCHITECTURE guarded_assignments OF multiplexed_half_register IS
- SIGNAL t : wired_qit REGISTER;
- BEGIN
- b7: BLOCK (s7 = '1' OR s7 = 'Z') BEGIN t <= GUARDED i7; END BLOCK;
- b6: BLOCK (s6 = '1' OR s6 = 'Z') BEGIN t <= GUARDED i6; END BLOCK;
- b5: BLOCK (s5 = '1' OR s5 = 'Z') BEGIN t <= GUARDED i5; END BLOCK;
- b4: BLOCK (s4 = '1' OR s4 = 'Z') BEGIN t <= GUARDED i4; END BLOCK;
- b3: BLOCK (s3 = '1' OR s3 = 'Z') BEGIN t <= GUARDED i3; END BLOCK;
- b2: BLOCK (s2 = '1' OR s2 = 'Z') BEGIN t <= GUARDED i2; END BLOCK;
- b1: BLOCK (s1 = '1' OR s1 = 'Z') BEGIN t <= GUARDED i1; END BLOCK;
- b0: BLOCK (s0 = '1' OR s0 = 'Z') BEGIN t <= GUARDED i0; END BLOCK;
- z <= t;
- END guarded_assignments;
- Use REGISTER to model retaining of last value
- No call is made to wiring upon last disconnection
- Dataflow.resolution.application
- USE WORK.basic_utilities.ALL;
- -- FROM PACKAGE USE: qit, wired_qit
- ENTITY multiplexed_half_register IS
- PORT (i7, i6, i5, i4, i3, i2, i1, i0 : IN qit;
- s7, s6, s5, s5, s4, s3, s2, s1, s0 : IN qit;
- z : OUT wired_qit REGISTER );
- END multiplexed_half_register;
- --
- ARCHITECTURE guarded_assignments OF multiplexed_half_register IS
- BEGIN
- b7: BLOCK (s7 = '1' OR s7 = 'Z') BEGIN z <= GUARDED i7; END BLOCK;
- b6: BLOCK (s6 = '1' OR s6 = 'Z') BEGIN z <= GUARDED i6; END BLOCK;
- b5: BLOCK (s5 = '1' OR s5 = 'Z') BEGIN z <= GUARDED i5; END BLOCK;
- b4: BLOCK (s4 = '1' OR s4 = 'Z') BEGIN z <= GUARDED i4; END BLOCK;
- b3: BLOCK (s3 = '1' OR s3 = 'Z') BEGIN z <= GUARDED i3; END BLOCK;
- b2: BLOCK (s2 = '1' OR s2 = 'Z') BEGIN z <= GUARDED i2; END BLOCK;
- b1: BLOCK (s1 = '1' OR s1 = 'Z') BEGIN z <= GUARDED i1; END BLOCK;
- b0: BLOCK (s0 = '1' OR s0 = 'Z') BEGIN z <= GUARDED i0; END BLOCK;
- END guarded_assignments;
- Ports can be resolved signals
- Kind of signal (BUS or REGISTER) can also be specified
- Dataflow.disconnection
- b5: BLOCK (s5='1' OR s5='Z')
- BEGIN t <= GUARDED i5 AFTER 4 NS;
- END BLOCK;
- DISCONNECT t : w
ired_qit AFTER 6 NS;
- Signal assignment can specify connection delay
- In guarded signal assignments:
- Use DISCONNECT for disconnection delay
- Above DISCONNECT applies to all assignments to t
- Dataflow.disconnection
- Signal Kind determines effective value
- REGISTER: Last disconnection; t retains value
- BUS: Last disconnection; t receives values of res_f(null)
- none: Upon disconnection, driver value still holds
- Dataflow.general_multiplexer
- USE WORK.basic_utilities.ALL;
- -- FROM PACKAGE USE : qit, qit_vector, wired_qit
- ENTITY mux_n_to_1 IS
- PORT (i, s : IN qit_vector; z : OUT wired_qit BUS);
- END mux_n_to_1;
- --
- ARCHITECTURE multiple_guarded_assignments OF mux_n_to_1 IS
- BEGIN
- bi: FOR j IN i'RANGE GENERATE
- bj: BLOCK (s(j) = '1' OR s(j) = 'Z')
- BEGIN
- z <= GUARDED i(j);
- END BLOCK;
- END GENERATE;
- END multiple_guarded_assignments;
- A useful unconstrained multiplexer
- Will know size when instantiated
- Dataflow.general_multiplexer
- USE WORK.basic_utilities.ALL;
- ENTITY mux_tester IS END mux_tester;
- --
- ARCHITECTURE input_output OF mux_tester IS
- COMPONENT mux PORT (i, s : IN qit_vector; z : OUT wired_qit BUS);
- END COMPONENT;
- FOR ALL : mux
- USE ENTITY WORK.mux_n_to_1 (multiple_guarded_assignments);
- SIGNAL ii, ss : qit_vector (3 DOWNTO 0) := "0000"; SIGNAL zz : qit;
- BEGIN
- ii <= "1010" AFTER 10 US, "Z100" AFTER 20 US, "0011" AFTER 30 US;
- ss <= "0010" AFTER 05 US, "1100" AFTER 15 US, "000Z" AFTER 25 US;
- mm : mux PORT MAP (ii, ss, zz);
- END input_output;
- Simulation produces 'X' for two conflincting enabled inputs
- Produces 'Z' when no inputs are enabled
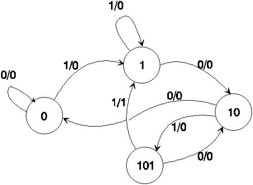
- Dataflow.state_machines
- --States are named: reset, got1, got10, got101
- clocking : BLOCK (clk = '1' AND NOT clk'STABLE)
- BEGIN
- s1: BLOCK ( current = reset AND GUARD ) - - reset
- BEGIN
- current <= GUARDED got1 WHEN x = '1' ELSE reset;
- END BLOCK s1;
- ...
- END BLOCK clocking;
- Use resolutions & guarded blocks
- A simple 1011 Mealy detector
- A block statement for each state
- Dataflow.state_machines
- ENTITY detector IS PORT (x, clk : IN BIT; z : OUT BIT); END detector;
- --
- ARCHITECTURE singular_state_machine OF detector IS
- TYPE state IS (reset, got1, got10, got101);
- TYPE state_vector IS ARRAY (NATURAL RANGE <>) OF state;
- FUNCTION one_of (sources : state_vector) RETURN state IS
- BEGIN RETURN sources(sources'LEFT);
- END one_of;
- SIGNAL current : one_of state REGISTER := reset;
- BEGIN
- clocking : BLOCK (clk = '1' AND NOT clk'STABLE)
- BEGIN
- s1: BLOCK ( current = reset AND GUARD )
- BEGIN
- current <= GUARDED got1 WHEN x = '1' ELSE reset;
- END BLOCK s1;
- s2: BLOCK ( current = got1 AND GUARD )
- BEGIN
- current <= GUARDED got10 WHEN x = '0' ELSE got1;
- END BLOCK s2;
- s3: BLOCK ( current = got10 AND GUARD )
- BEGIN
- current <= GUARDED got101 WHEN x = '1' ELSE reset;
- END BLOCK s3;
- s4: BLOCK ( current = got101 AND GUARD)
- BEGIN
- current <= GUARDED got1 WHEN x = '1' ELSE got10;
- z <= '1' WHEN ( current = got101 AND x = '1') ELSE '0';
- END BLOCK s4;
- END BLOCK clocking;
- END singular_state_machine;
- Current receives four concurrent assignments
- Current must be resolved; use one_of
- Dataflow.state_machines
- --States are: 1 = reset, 2 = got1, 3 = got10, 4 = got101
- clocking : BLOCK (clk = '1' AND NOT clk'STABLE)
- BEGIN
- s3: BLOCK (s(3) = '1' AND GUARD)
- BEGIN
- s(1) <= GUARDED '1' WHEN x = '0' ELSE '0';
- s(4) <= GUARDED '1' WHEN x = '1' ELSE '0';
- END BLOCK s3;
- END BLOCK clocking;
- The last description does not allow multiple active states
- To remedy: use a signal for each state
- State 3 : goes to 1 when x = '0'
- goes to 4 when x = '1'
- Dataflow.state_machines
- ARCHITECTURE multiple_state_machine OF detector IS
- SIGNAL s : ored_bit_vector (1 TO 4) REGISTER := "1000";
- BEGIN
- clocking : BLOCK (clk = '1' AND NOT clk'STABLE)
- BEGIN
- s1: BLOCK (s(1) = '1' AND GUARD)
- BEGIN
- s(1) <= GUARDED '1' WHEN x = '0' ELSE '0';
- s(2) <= GUARDED '1' WHEN x = '1' ELSE '0';
- END BLOCK s1;
- s2: BLOCK (s(2) = '1' AND GUARD)
- BEGIN
- s(3) <= GUARDED '1' WHEN x = '0' ELSE '0';
- s(2) <= GUARDED '1' WHEN x = '1' ELSE '0';
- END BLOCK s2;
- s3: BLOCK (s(3) = '1' AND GUARD)
- BEGIN
- s(1) <= GUARDED '1' WHEN x = '0' ELSE '0';
- s(4) <= GUARDED '1' WHEN x = '1' ELSE '0';
- END BLOCK s3;
- s4: BLOCK (s(4) = '1' AND GUARD)
- BEGIN
- s(3) <= GUARDED '1' WHEN x = '0' ELSE '0';
- s(2) <= GUARDED '1' WHEN x = '1' ELSE '0';
- z <= '1' WHEN (s(4) = '1' AND x = '1') ELSE '0';
- END BLOCK s4;
- s <= GUARDED "0000";
- END BLOCK clocking;
- END multiple_state_machine;
- S must be resolved vector REGISTER kind
- S <= GUARDED "0000";
- Causes removal of retained value upon last disconnection
- Dataflow.general_state_machines
- ENTITY detector_m IS PORT (x,clk : IN BIT; z : OUT BIT); END detector_m;
- --
- ARCHITECTURE multiple_moore_machine_1 OF detector_m IS
- FUNCTION oring( drivers : BIT_VECTOR) RETURN BIT IS
- VARIABLE accumulate : BIT := '0';
- BEGIN
- FOR i IN drivers'RANGE LOOP
- accumulate := accumulate OR drivers(i);
- END LOOP;
- RETURN accumulate;
- END oring;
- SUBTYPE ored_bit IS oring BIT;
- TYPE ored_bit_vector IS ARRAY (NATURAL RANGE <>) OF ored_bit;
- TYPE next_table IS ARRAY (1 TO 6, BIT) OF INTEGER;
- TYPE out_table IS ARRAY (1 TO 6, BIT) OF BIT;
- -- Fill in next_val, out_val, and s arrays
- SIGNAL o : ored_bit REGISTER;
- BEGIN
- clocking : BLOCK (clk = '1' AND (NOT clk'STABLE))
- BEGIN
- g: FOR i IN s'RANGE GENERATE
- si: BLOCK (s(i) = '1' AND GUARD)
- BEGIN
- s(next_val(i,'0')) <= GUARDED '1' WHEN x='0' ELSE '0';
- s(next_val(i,'1')) <= GUARDED '1' WHEN x='1' ELSE '0';
- o <= GUARDED out_val(i, x);
- END BLOCK si;
- s (i) <= GUARDED '0';
- END GENERATE;
- END BLOCK clocking;
- z <= o;
- END multiple_moore_machine_1;
- A Moore sequence detector
- Specify transisitions & outputing in constant tables
- Allows multiple machines in one
- Dataflow.general_state_machines
- ---------------------------------------------------------------------
- --The folowing tables program the general purpose Moore description--
- ---------------------------------------------------------------------
- -- -- Next States: ----- x=0, x=1 --
- CONSTANT next_val : next_table := ( (1 , 2), --S1: -> S1, S2 --
- (1 , 3), --S2: -> S1, S3 --
- (1 , 4), --S3: -> S1, S4 --
- (1 , 1), --S4: -> S1, S1 --
- (5 , 6), --S5: -> S5, S6 --
- (5 , 6) ); --S6: -> S5, S6 --
- -- --
- -- -- Output Values: ----- x=0, x=1 --
- CONSTANT out_val : out_table := ( ('0' , '0'), --S1: == z=0, 0 --
- ('0' , '0'), --S2: == z=0, 0 --
- ('0' , '0'), --S3: == z=0, 0 --
- ('0' , '0'), --S4: == z=1, 1 --
- ('0' , '0'), --S5: == z=0, 0 --
- ('1' , '1') );--S6: == z=1, 1 --
- --
- -- -- Initial Active States: --
- SIGNAL s : ored_bit_vector (1 TO 6) REGISTER := "100010"; --
- ---------------------------------------------------------------------
- ---------------------------------------------------------------------
- The next_val constant holds next state values
- The out_val constant holds the output values on the z output
- Initial starting states are set to '1' in the s vector
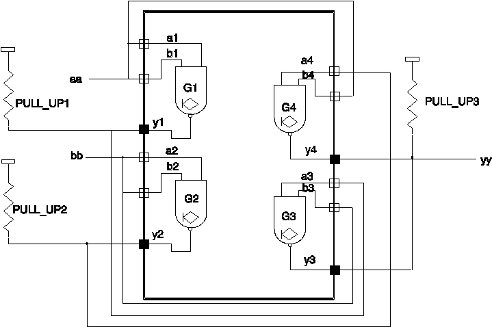
- Dataflow.open_collector
- Resolution functions are used in bussing
- Will use open collector to illustrate
- Dataflow.open_collector
- USE WORK.basic_utilities.ALL;
- -- FROM PACKAGE USE: qit, "AND"
- ENTITY nand2 IS
- PORT (a, b : IN qit; y : OUT qit);
- CONSTANT tplh : TIME := 10 NS; CONSTANT tphl : TIME := 12 NS;
- END nand2;
- --
- ARCHITECTURE open_output OF nand2 IS
- BEGIN
- y <= '0' AFTER tphl WHEN (a AND b) = '1' ELSE
- 'Z' AFTER tplh WHEN (a AND b) = '0' ELSE
- 'X' AFTER tphl;
- END open_output;
- USE WORK.basic_utilities.ALL;
- -- FROM PACKAGE USE: qit
- ENTITY sn7403 IS
- PORT (a1, a2, a3, a4, b1, b2, b3, b4 : IN qit; y1, y2, y3, y4 : OUT qit);
- END sn7403;
- --
- ARCHITECTURE structural OF sn7403 IS
- COMPONENT nand2 PORT (a, b : IN qit; y : OUT qit); END COMPONENT;
- FOR ALL : nand2 USE ENTITY WORK.nand2 (open_output);
- BEGIN
- g1: nand2 PORT MAP ( a1, b1, y1 );
- g2: nand2 PORT MAP ( a2, b2, y2 );
- g3: nand2 PORT MAP ( a3, b3, y3 );
- g4: nand2 PORT MAP ( a4, b4, y4 );
- END structural;
- A two input open collector NAND
- 74LS03 contains 4 open collector NAND gates
- Dataflow.open_collector
- Simulation verifies open collector
- Output is never '1'
- Dataflow.open_collector
- Using 74LS03 for implementing an XNOR
- pull_up3 has two drivers
- Dataflow.open_collector
- USE WORK.basic_utilities.ALL;
- -- FROM PACKAGE USE: qit, anded_qit
- ENTITY test_xnor IS END test_xnor;
- --
- USE WORK.basic_utilities.ALL;
- ARCHITECTURE input_output OF test_xnor IS
- COMPONENT sn7403
- PORT (a1, a2, a3, a4, b1, b2, b3, b4 : IN qit; y1, y2, y3, y4 : OUT qit);
- END COMPONENT;
- FOR ALL : sn7403 USE ENTITY WORK.sn7403 (structural);
- SIGNAL aa, bb : qit;
- SIGNAL pull_up_1, pull_up_2, pull_up_3 : anded_qit := 'Z';
- BEGIN
- aa <= '1', '0' AFTER 10US, '1' AFTER 30US, '0' AFTER 50US,
- 'Z' AFTER 60US;
- bb <= '0', '1' AFTER 20US, '0' AFTER 40US, 'Z' AFTER 70US;
- c1: sn7403 PORT MAP (
- aa, bb, pull_up_1, pull_up_2,
- aa, bb, bb, aa,
- pull_up_1, pull_up_2 , pull_up_3, pull_up_3 );
- END input_output;
- yy = ( aa' . bb)' . (bb' . aa)' = ( aa Å bb)'
- pull_up_1 and pull_up_2 turn 0,Z to 0,1
- anded_qit resolution function implements wired logic
- Dataflow.open_collector
- Simulation shows XNOR implementation
- Pull up resolutions turn gate output 'Z' values to '1'
- Dataflow.dataflow_example
- Seen dataflow primitives
- Use dataflow for system description
- A sequential comparator example
- Dataflow.dataflow_example
- USE WORK.basic_utilities.ALL;
- -- FROM PACKAGE USE: bin2int, int2bin
- ENTITY sequential_comparator IS
- PORT (data : IN BIT_VECTOR (7 DOWNTO 0); clk, reset : IN BIT;
- matches : OUT BIT_VECTOR (3 DOWNTO 0));
- END sequential_comparator;
- --
- ARCHITECTURE dataflow OF sequential_comparator IS
- FUNCTION inc (x : BIT_VECTOR) RETURN BIT_VECTOR IS
- VARIABLE i : INTEGER;
- VARIABLE t : BIT_VECTOR (x'RANGE);
- BEGIN
- bin2int (x, i);
- i := i + 1; IF i >= 2**x'LENGTH THEN i := 0; END IF;
- int2bin (i, t);
- RETURN t;
- END inc;
- SIGNAL buff : BIT_VECTOR (7 DOWNTO 0);
- SIGNAL count : BIT_VECTOR (3 DOWNTO 0);
- BEGIN
- edge: BLOCK (clk = '0' AND NOT clk'STABLE)
- BEGIN
- buff <= GUARDED data;
- count <= GUARDED "0000" WHEN reset = '1' ELSE
- inc (count) WHEN data = buff ELSE
- count;
- END BLOCK;
- matches <= count;
- END dataflow;
- inc function is unconstrained
- Save old data in buff
- Compares old and new
- Dataflow.dataflow_example
- matches shows count of matching data
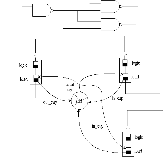
Dataflow.example.load_dependency
- Model gates for load dependent timing
- Timing depends on capacitance
- A resolution function adds all capacitances
- Internal Timing depends on total capacitance at output
Dataflow.example.load_dependency
TYPE line IS RECORD
logic : wired_qit;
load : loading capacitance;
END RECORD;
1) A Logical value
2) A Load value
- Logical resolution is wired
- Load resolution is adding
Dataflow.example.load_dependency
LIBRARY cmos;
USE cmos.basic_utilities.ALL;
PACKAGE added_utilities IS
FUNCTION loading (drivers : capacitance_vector) RETURN capacitance;
SUBTYPE loading_capacitance IS loading capacitance;
TYPE line IS RECORD
logic : wired_qit;
load : loading capacitance;
END RECORD;
END added_utilities;
PACKAGE BODY added_utilities IS
FUNCTION loading (drivers : capacitance_vector) RETURN capacitance IS
VARIABLE load_value : capacitance := 0 ffr;
BEGIN
FOR i IN drivers'RANGE LOOP
load_value := load_value + drivers(i);
END LOOP;
RETURN load_value;
END loading;
END added_utilities;
- Use most of basic_utilities
- Add new types and resolution functions in the added_utilities
Dataflow.example.load_dependency
USE WORK.added_utilities.ALL;
--
ENTITY nand_2 IS
PORT(in1,in2 : INOUT line; out1 : INOUT line);
END nand_2;
--
ARCHITECTURE load_dependent OF nand_2 IS
CONSTANT pullup : resistance := 15 k_o;
CONSTANT pulldown: resistance := 10 k_o;
BEGIN
in1.load <= 10 ffr; in2.load <= 10 ffr; out1.load <= 2 ffr;
in1.logic <= 'Z' ; in2.logic <= 'Z' ;
outing : PROCESS(in1.logic , in2.logic)
VARIABLE temp_out : qit;
BEGIN
temp_out := in1.logic NAND in2.logic;
IF temp_out = '0' THEN
out1.logic <= '0' AFTER 3 * pulldown * out1.load;
ELSE
IF temp_out = '1' THEN
out1.logic <= '1' AFTER 3 * pullup * out1.load;
ELSE
out1.logic <= temp_out;
END IF;
END IF;
END PROCESS outing;
END load_dependent;
- out1.load is returned by the resolution function
- NAND gate delay depends on total capacitance
Dataflow.example.load_dependency
USE WORK.added_utilities.ALL;
ENTITY three_nand_system IS END three_nand_system;
--
ARCHITECTURE test OF three_nand_system IS
COMPONENT nand_2
PORT(in1,in2 : INOUT line ; out1 : INOUT line);
END COMPONENT;
SIGNAL a1,b1,b2,b3,q1_out,q2_out,q3_out : line;
BEGIN
b1.logic <= '1'; b2.logic <= '1'; b3.logic <= '1';
a1.logic <= '0', '1' AFTER 100 NS, '0' AFTER 300 NS,
'Z' AFTER 700 NS, 'X' AFTER 800 NS, '1' AFTER 1000 NS;
n1 : nand_2 PORT MAP(a1,b1,q1_out);
n2 : nand_2 PORT MAP(q1_out,b2,q2_out);
n3 : nand_2 PORT MAP(q1_out,b3,q3_out);
END test;
fs a1 b1 b2 b3 q1_out q2_out q3_out
0 (0, 00) (0, 00) (0, 00) (0, 00) (0, 00) (0, 0) (0, 0)
0 (0, 10) (1, 10) (1, 10) (1, 10) (1, 22) (1, 2) (1, 2)
60000 (0, 10) (1, 10) (1, 10) (1, 10) (1, 22) (0, 2) (0, 2)
100000000 (1, 10) (1, 10) (1, 10) (1, 10) (1, 22) (0, 2) (0, 2)
100660000 (1, 10) (1, 10) (1, 10) (1, 10) (0, 22) (0, 2) (0, 2)
100960000 (1, 10) (1, 10) (1, 10) (1, 10) (0, 22) (1, 2) (1, 2)
300000000 (0, 10) (1, 10) (1, 10) (1, 10) (0, 22) (1, 2) (1, 2)
300000105 (0, 10) (1, 10) (1, 10) (1, 10) (1, 22) (1, 2) (1, 2)
300065033 (0, 10) (1, 10) (1, 10) (1, 10) (1, 22) (0, 2) (0, 2)
700000000 (Z, 10) (1, 10) (1, 10) (1, 10) (1, 22) (0, 2) (0, 2)
700660000 (Z, 10) (1, 10) (1, 10) (1, 10) (0, 22) (0, 2) (0, 2)
700960000 (Z, 10) (1, 10) (1, 10) (1, 10) (0, 22) (1, 2) (1, 2)
800000000 (X, 10) (1, 10) (1, 10) (1, 10) (0, 22) (1, 2) (1, 2)
800000000+ (X, 10) (1, 10) (1, 10) (1, 10) (X, 22) (1, 2) (1, 2)
800000000+ (X, 10) (1, 10) (1, 10) (1, 10) (X, 22) (X, 2) (X, 2)
1000000000 (1, 10) (1, 10) (1, 10) (1, 10) (X, 22) (X, 2) (X, 2)
1000660000 (1, 10) (1, 10) (1, 10) (1, 10) (0, 22) (X, 2) (X, 2)
1000960000 (1, 10) (1, 10) (1, 10) (1, 10) (0, 22) (1, 2) (1, 2)
- q1_out is the common node between 3 NAND gates
- Logic values and capacitances at each node are shown
- Timing considers node capacitances
Dataflow.conclusions
1. Outline: Introduction, Organization, Outline
2. Review: Behavioral description, Using process statements, Top-down design, Using available components, Wiring predefined components, Wiring from bottom to top, Generation of testbench data, Using procedures
3. VHDL_Timing: Modeling requirements, Objects & classes, Signals & variables, Concurrent & sequential assignments, Events, transactions & delta delays, Delay modeling, Sequential placement of transactions, Conventions
4. Structural_Description_of_Hardware: Wiring parts into larger designs, Start with primitives, Wire gates into general purpose components, Use iterative constructs, Generate testbenches, Show binding alternatives, Use gate-based components for a larger design
5. Design_Organization: Subprograms, Packaging, Parameter specification, Parametrization, Top level configuration, Design libraries, A complete example
6. Utilities_for_high_level_descriptions: Language aspects, Types, Over loading subprograms operators, Predefined Attributes, User defined attributes
8. Behavioral_Descriptions: Constructs for sequential descriptions, Assertion for behavioral checks, Handshaking constructs, Timing control, Formatted I/O, MSI parts, A complete MSI based design
9. STANDARDS: MVL9: logic value system, Logic type, Operators, Conversions; VHDL'93: Operators, Delay model, Instantiation, Binding, Attributes, Signal assignments, Report, Postponed process
to the top of the Document